Sản phẩm sen tắm INAX BFV-1403S-7C sẽ là giải pháp thông minh cho những phòng tắm có áp lực nước yếu. Đây là mẫu sen tắm được kết hợp với bát sen tăng áp 7C, giúp tăng áp lực nước gấp 5 lần so với các sản phẩm bát sen thông thường. Sở hữu ngay sản phẩm này cho gia đình để có những trải nghiệm tuyệt vời nhất khi sử dụng.

Sen tắm INAX BFV-1403S-7C
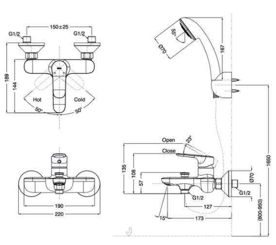
Thông số kỹ thuật sản phẩm:
- Tên sản phẩm: Sen tắm INAX
- Mã sản phẩm: BFV-1403S-7C
- Loại sản phẩm: sen tắm thường kèm sen tay tăng áp
- Bát sen tay có đường kính 70mm, chiều dài 167mm
- Mạ: Chrome/Niken
- Áp lực nước: 0.1 ~ 0.5Mpa
- Đường kính ống cấp nước 21mm
- Chế độ: nóng/lạnh

Bản vẽ kỹ thuật sen tắm Inax BFV-1403S-7C
Đặc điểm của sản phẩm:
Sen tắm INAX BFV-1403S-7C với thiết kế hiện đại, giúp không gian lắp trở nên sang trọng và tinh tế hơn
Sản phẩm được làm bằng chất liệu đồng có độ nguyên chất cao, hàm lượng kim loại nặng được giảm tối đa đạt tiêu chuẩn Nhật Bản, đảm bảo an toàn với sức khỏe người dùng.
Bề mặt mạ với 3 lớp mạ: 2 lớp Niken dày chống gỉ sét, lớp Crom giữ độ sáng bóng bền lâu giúp sản phẩm không bị bong tróc hay trầy xước trong quá trình sử dụng.
Phần tay vặn được thiết kế dễ dàng sử dụng, điều chỉnh nhiệt độ và lưu lượng nước dễ dàng, nhanh chóng.
Bát sen tăng áp 7C có thiết kế hiện đại, đẳng cấp phù hợp với những nhà tắm có áp lực nước yếu, sử dụng bát sen sẽ giúp tăng áp lực nước gấp 5 lần so với các sản phẩm bát sen tay thông thường.
Bề mặt bát sen 7C được mạ Crom/Niken sáng bóng, bền bỉ đảm bảo sản phẩm không bị bong tróc hay trầy xước trong quá trình sử dụng. Dòng nước êm ái, massage toàn bộ cơ thể.
Khách hàng đang có nhu cầu mua sản phẩm sen tắm INAX BFV-1403S-7C hãy liên hệ trực tiếp tới hotline 1900.599.828 để được tư vấn miễn phí. Hoặc cũng có thể đến trực tiếp hệ thống Showroom Hải Linh gần nhất để trải nghiệm sản phẩm.

Bồn cầu Inax 2 khối C-117VAN
Bồn cầu 2 khối Inax ACT-832VN xả tự động 


