Sen tắm Inax BFV-6003S là dòng sản phẩm được thiết kế với kiểu dáng hiện đại và công nghệ chức năng mới như lực tải nước mạnh và đồng đều. Độ dài tương ứng thuận tiện sử dụng, dòng chảy êm tạo cảm giác thoải mái cho người sử dụng. Bát sen với thiết kế mới độc đáo sẽ làm hài lòng những người sử dụng.

Sen tắm Inax BFV-6003S phong cách hiện đại
Thông tin cơ bản về sen tắm INAX BFV-6003S:
- Mã sản phẩm: BFV-6003S
- Loại sản phẩm: Sen tắm nóng lạnh
- Thương hiệu: Inax
- Công nghệ: Nhật Bản
- Sản xuất tại Việt Nam
- Áp lực nước : 0.05 MPa ~ 0.75 MPa
- Chất liệu: Đồng mạ Crom-Niken
- Kết cấu bên trong vững vàng
- Van điều khiển bằng sứ có độ bền cao

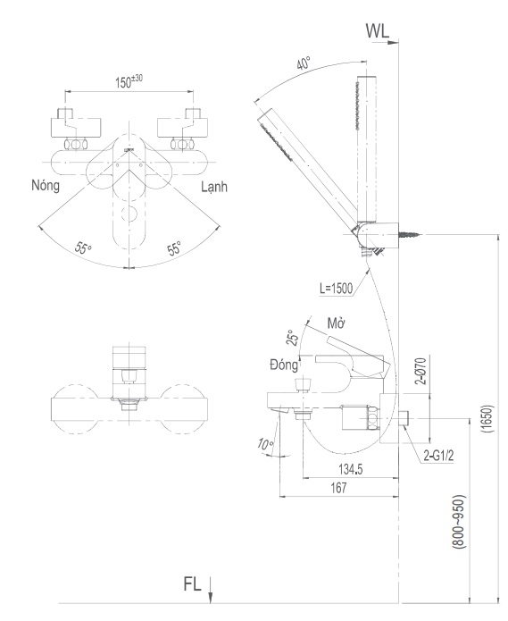
Bản vẽ kỹ thuật sen tắm Inax BFV-6003S
Thông tin nổi bật của sen tắm INAX BFV-6003S
– Thiết kế thuận tiện và dễ dàng sử dụng.
– Phù hợp với mọi không gian phòng tắm, lực tải nước mạnh mẽ, dòng nước êm ái.
– Với lớp mạ Cr-Ni cao cấp không bị bong tróc, ngoài ra còn chống gỉ sét, giữ cho sản phẩm luôn sáng đẹp lâu dài theo thời gian.
Dòng sản phẩm có nhiều tính năng nổi bật này được bán chính hãng tại showroom thiết bị vệ sinh inax Hải Linh, hãy tới với showroom để lựa chọn cho không gian ngôi nhà mình một dòng sản phẩm chính hãng chất lượng tốt cho phòng tắm ngôi nhà mình.



