Van xả tiểu INAX UF-8V là sản phẩm phụ kiện nhà tắm có thiết kế sang trọng, tinh tế phù hợp lắp đặt với đa số các mẫu bồn tiểu nam INAX. Với những ưu điểm vượt trội về thiết kế, tính năng sở hữu sản phẩm này sẽ mang tới cho người dùng những trải nghiệm vô cùng tuyệt vời.

Van xả tiểu INAX UF-8V
1. Thông số kỹ thuật Van xả tiểu INAX UF-8V
- Mã sản phẩm: UF-8V
- Loại sản phẩm: Van xả tiểu nhấn
- Thương hiệu: Inax
- Công nghệ: Nhật Bản
- Xuất xứ: Việt Nam

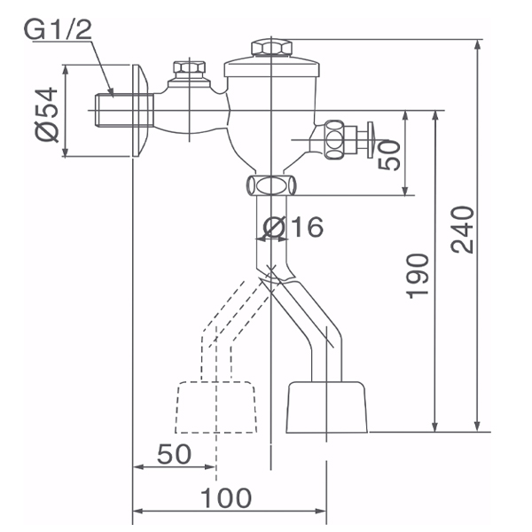
Bản vẽ kỹ thuật Van xả tiểu INAX UF-8V
2. Đặc điểm nổi bật Van xả tiểu INAX UF-8V
Van xả tiểu nam INAX UF-8V có thiết kế kiểu dáng thanh lịch, tinh tế phù hợp sử dụng ở nhiều không gian nhà vệ sinh hiện đại.
Sản phẩm với tính năng xả nhấn nhạy bén, tinh tế giúp đáp ứng tối đa mọi nhu cầu xả của người dùng.
Mẫu van xả tiểu nam này được ứng dụng những công nghệ hiện đại nhất thị trường, công nghệ dây chuyền hiện đại hàng đầu Nhật Bản, đảm bảo chất lượng sản phẩm vượt trội, khả năng chịu nước tốt, mang tới sự bền bỉ cho sản phẩm trong thời gian dài sử dụng.
Sử dụng van xả tiểu nam giúp mang tới cho người dùng những trải nghiệm vô cùng mới lạ, dòng nước xả vô cùng nhẹ nhàng êm ái, đáp ứng được tối đa nhu cầu sử dụng.
Lượng nước xả vừa đủ, tiết kiệm nước tối đa nhưng vẫn xả sạch mọi vết bẩn, giúp bề mặt bồn tiểu sạch sẽ, sáng bóng như mới.
Bề mặt van xả được tích hợp công nghệ mạ Crom/Niken sáng bóng, bền bỉ chịu được mọi áp lực, điều kiện môi trường.
Khách hàng đang có nhu cầu mua sản phẩm van xả tiểu INAX UF-8V có thể đến ngay hệ thống Showroom Hải Linh gần nhất để được tư vấn miễn phí, nhanh chóng. Showroom Hải Linh – địa chỉ phân phối van xả tiểu INAX UF – 8V chất lượng nhất thị trường.

Bồn cầu 2 khối Inax C-514VAN 



