Vòi chậu INAX LFV-1111S là mẫu vòi chậu nằm trong bộ sản phẩm sen, vòi 1100 Series mới nhất của INAX. Với thiết kế tinh tế, hiện đại, từng đường nét của sản phẩm mang lại sự sang trọng cho không gian lắp đặt. Sở hữu sản phẩm này bạn sẽ được trải nghiệm những công nghệ hoàn hảo nhất đến từ Nhật Bản.

Vòi chậu INAX LFV-1111S
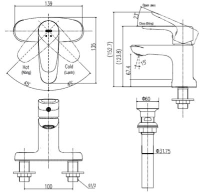
1. Thông số kỹ thuật Vòi chậu Inax LFV-1111S
- Mã sản phẩm: LFV-1111S
- Loại sản phẩm: Vòi chậu nóng lạnh 3 lỗ
- Thương hiệu: Inax
- Công nghệ: Nhật Bản
- Xuất xứ: Việt Nam
- Kích thước: 131.73mmx123.9mmx136mm
- Chất liệu: Đồng
- Bề mặt: mạ Crom/Niken
- Áp lực nước: 0.05MPa~0.75MPa
- Nhiệt độ nước nóng đầu vào: t ≤ 85°C

Mở hộp vòi chậu Inax LFV-1111S
2. Đặc điểm nổi bật Vòi chậu Inax LFV-1111S
Vòi chậu INAX LFV-1111S được thiết kế với kiểu dáng trang nhã, tinh tế giúp không gian lắp đặt trở nên sang trọng và vô cùng hiện đại. vòi có thể sử dụng được cả nguồn nước nóng và lạnh, đảm bảo đáp ứng được tối đa mọi nhu cầu sử dụng của người dùng.

Bản vẽ kỹ thuật vòi chậu Inax LFV-1111S
Bề mặt vòi chậu INAX LFV-1111S được mạ lớp Crom/Niken sáng bóng, bền bỉ giúp bề mặt không bị ố, không bị bong tróc hay trầy xước trong quá trình sử dụng, phù hợp lắp đặt ở môi trường thường xuyên ẩm ướt, môi trường nhiệt đới ẩm gió mùa của Việt Nam
Van điều khiển của vòi được thiết kế bằng sứ có độ bền cao, chống rò rỉ nước trong mọi điều kiện áp lực nước từ thấp tới cao
Vòi phun được ẩn bên trong giúp mang lại sự sang trọng cho sản phẩm, dòng chảy được ứng dụng công nghệ trộn khí vào nước mang lại cảm giác dễ chịu, nâng niu làn da tay của bạn.
Thân vòi được kết cấu bền bỉ, vững chắc với chất liệu đồng có độ nguyên chất cao, giúp cung cấp nguồn nước nhẹ nhàng, êm ái và vô cùng sạch sẽ.
Lưu ý trong quá trình sử dụng nước nóng, thân vòi sẽ nóng ở mức nhiệt cao, vì vậy người dùng nên tránh không để da tác động trực tiếp vào vòi có thể gây ra những sự cố không mong muốn.
Khi điều chỉnh nhiệt độ của vòi, cần gạt tay gạt về phía nước lạnh, sau đó gạt từ từ trở về phía nước nóng để có thể điều chỉnh nhiệt độ nước nóng như mong muốn.
Sản phẩm vòi chậu INAX LFV-1111S đang được phân phối trên toàn hệ thống Showroom Hải Linh, khách hàng đang có nhu cầu sở hữu sản phẩm có thể liên hệ trực tiếp tới hotline 1900.599.828 để được tư vấn miễn phí.





