Không gian phòng tắm nhà bạn nhỏ hẹp bạn chưa biết chọn chậu rửa Inax nào cho phù hợp? Chậu rửa Inax treo tường L-285V+L-288VD chính là giải pháp tuyệt vời cho bạn trong trường hợp này, thiết kế gọn gàng nhưng lòng chậu vẫn to và sâu cho bạn dễ dàng sử dụng mà nước không bị bắn ra ngoài, hơn nữa chậu còn được làm từ sứ cao cấp và tráng men chống bám bẩn giữ sản phẩm luôn bền đẹp theo thời gian.

Chậu rửa Inax treo tường L-285V+L-288VD
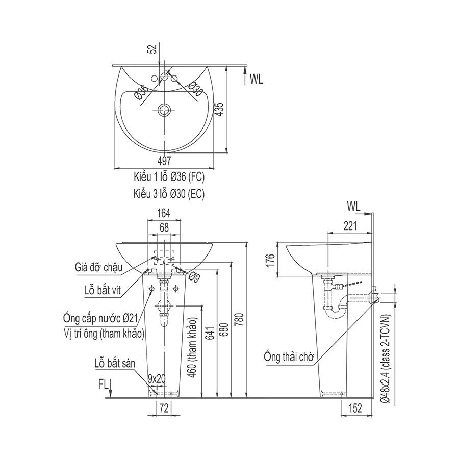
1. Thông số kỹ thuật Chậu rửa Inax treo tường L-285V+L-288VD
- Mã sản phẩm: L-285V+L-288VD
- Loại sản phẩm: Chậu rửa treo tường chân dài
- Thương hiệu: Inax
- Công nghệ: Nhật Bản
- Xuất xứ: Việt Nam
- Kích thước (DxRxC): 400 x 410 x 780 mm
- Công nghệ men sứ 100 năm trắng sạch

Bản vẽ kỹ thuật Chậu rửa Inax treo tường L-285V+L-288VD
2. Đặc điểm nổi bật Chậu rửa Inax treo tường L-285V+L-288VD
– Sở hữu tiết kế tinh tế đáp ứng yêu cầu cao nhất về thẩm mỹ, phù hợp lắp đặt với mọi không gian từ gia đình đến các khu dùng cho đông người như trường học, bệnh viện, khách sạn,…
– Được sản xuất trên dây chuyền công nghệ hiện đại, mang đến một sản phẩm đảm bảo chất lượng đáp ứng tối đa nhu cầu sử dụng của người dùng.
– Sản phẩm được làm từ chất liệu sứ cao cấp cho độ bền lâu dài, đảm bảo an toàn trong quá trình sử dụng.
– Được phủ lớp men chống dính tiện lợi thuận thiện trong việc vệ sinh và bảo vệ tối ưu cấu trúc của chậu rửa.
– Chậu rửa kết hợp với chân đứng đảm bảo độ cứng chắc của sản phẩm.
Để sở hữu sản phẩm chậu rửa treo tường L-285V+L-288VD chính hãng đảm bảo chất lượng theo tiêu chuẩn của Nhật Bản, quý khách có thể liên hệ với chúng tôi qua Hotline hoặc đến trực tiếp địa chỉ showroom Hải Linh gần nhất để được hỗ trợ nhanh chóng. Hải Linh một trong những địa chỉ cung cấp các sản phẩm thiết bị vệ sinh Inax uy tín chất lượng được đông đảo khách hàng lựa chọn.




