Nắp rửa điện tử Inax CW-KB22AVN được thiết kế hài hòa với AC-1017R giúp người dùng có những trải nghiệm thoải mái nhất. Được tích hợp nhiều chức năng rửa hiện đại mang đến cuộc sống tiện nghi và không gian phòng tắm thẩm mỹ hiện đại hơn rất nhiều với lựa chọn bồn cầu cảm ứng Inax.

Sản phẩm bồn cầu nắp rửa điện tử Inax AC-1017R+CW-KB22AVN
Thông số kỹ thuật bồn cầu nắp rửa điện tử Inax AC-1017R+CW-KB22AVN
+ Tên sản phẩm: Bồn cầu nắp rửa điện tử Inax AC-1017R+CW-KB22AVN
+ Mã sản phẩm: AC-1017R+CW-KB22AVN
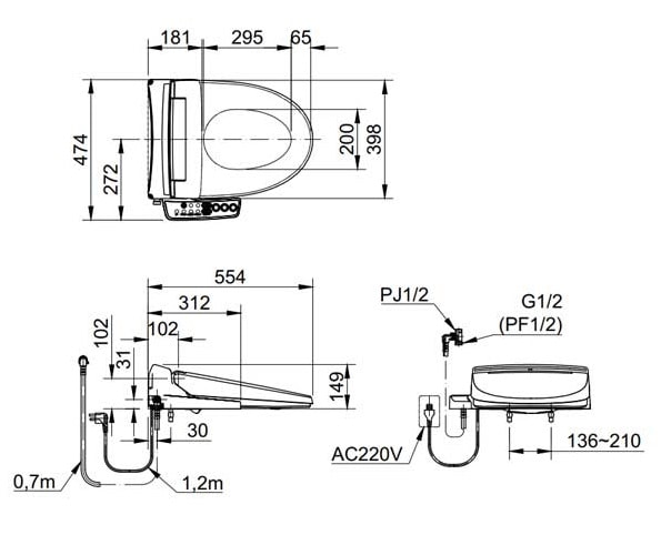
+ Kích thước bồn cầu (Dài x Rộng x Cao): 805 x 400 x 588 mm
+ Kỹ thuật xả rửa vành Rim kiểu mới
+ Kiểu xả: Xi-phông
+ Mức xả: Xả tay gạt với mức xả 6.0L
+ Dung tích két nước nóng: 0.67L
+ Số lỗ phun: 4 lỗ x 0.8mm
+ Công suất điện làm nóng nước: 275W
+ Nhiệt độ nước nóng: OFF: nhiệt độ nước cấp; LOW: ~32oC; MID: ~38oC; HIGH: ~40oC;
+ Thiết bị an toàn: Rơ-le nhiệt
+ Nước cấp: Nối trực tiếp từ đường ống nước
+ Áp suất nước cấp: 0.06 – 0.75MPa
+ Nguồn điện: AC 220V, 336W, 50Hz
+ Điều chỉnh nhiệt độ: Gồm 6 mức
+ Chế độ tiết kiệm điện : Pin tính kiềm AA, 2 cục
+ Siêu tiết kiệm điện 24h.Tiết kiệm điện “1 lần chạm” (8 tiếng sau tự khôi phục)
+ Nắp bồn: Nắp đóng êm.
Xuất xứ sản phẩm
Hãng sản xuất: INAX
Công nghệ sản xuất: Nhật Bản

Bản vẽ kỹ thuật bồn cầu cầu 1 khối Inax AC-1017R

Bản vẽ kỹ thuật nắp rửa điện tử Inax CW-KB22AVN
Đặc điểm nổi bật của bồn cầu nắp rửa điện tử Inax AC-1017R+CW-KB22AVN
– Sở hữu thiết kế hiện đại phù hợp với mọi không gian được lắp đặt, mang đến sự sang trọng và đẳng cấp cao đáp ứng tối đa nhu cầu sử dụng của người dùng.
– Ứng dụng các công nghệ hiện đại như công nghệ Aqua Ceramic bảo vệ sứ vệ sinh trắng sáng 100 năm. Với công nghệ này giúp quá trình vệ sinh bồn cầu nhanh chóng và còn giúp bảo vệ cấu trúc bồn cầu khỏi các yếu tố bên ngoài tác động đến.
– Bồn cầu 1 khối Inax ứng dụng công nghệ rửa vành Rim kiểu mới giúp loại bỏ vết bẩn tối ưu và tiết kiệm nước hiệu quả. Đồng thời nhờ công nghệ này giúp chống hình thành mảng bán, ngăn ngừa vi khuẩn xâm nhập và phát triển.
– Nắp rửa điện tử Inax CW-KB22AVN ứng dụng vòi phun rửa và vòi phun tự động dành riêng cho phụ nữ. Với thiết bị rơ-le an toàn có thể tự cảm ứng từ kiểm soát nhiệt độ cao và tự ngắt phao khi không đủ nước hay tự ngắt khi gặp bất kỳ sự cố. Chế độ tiết kiệm điện đến 24h chỉ cần “1 lần chạm” (8 tiếng sau tự khôi phục)
– Nắp điện tử Inax CW-KB22AVN tích hợp nhiều tính năng ưu việt như:
- Phun rửa tự động: rửa trước và sau khi đi vệ sinh, tự làm sạch bồn cầu nhanh chóng
- Vệ sinh phụ nữ: thiết kế dành riêng cho phụ nữ tạo cảm giác thoải mái khi sử dụng.
- Sưởi ấm bệ ngồi: giữ bệ ngồi luôn ấm áp, không lo mùa đông lạnh giá.
- Khử mùi nhanh: bạn sẽ không còn thấy mùi hôi khó chịu chỉ sàu 1 vài giây
– Sản phẩm ứng dụng công nghệ kháng khuẩn Hyperkilamic độc quyền của Inax Nhật Bản, đảm bảo loại bỏ vi khuẩn tối ưu. Đây là một trong số những ưu điểm được chuyên gia đánh giá cao khuyên người tiêu dùng nên lựa chọn sử dụng.
Hiện sản phẩm bồn cầu nắp rửa điện tử Inax AC-1017R+CW-KB22AVN đang bán chính hãng với mức giá ưu đãi nhất trên thị trường tại Hải Linh. Để có thể sở hữu sản phẩm chất lượng này đáp ứng tối đa nhu cầu của người dùng, bạn có thể liên hệ với chúng tôi qua Hotline hoặc đến trực tiếp địa chỉ Hải Linh gần nhất để được tư vấn và hỗ trợ đặt hàng nhanh chóng. Hải Linh – một trong những địa chỉ cung cấp các sản phẩm thiết bị vệ sinh cao cấp inax đảm bảo 100% chất lượng đến tay người tiêu dùng Việt.

Sen tắm Inax BFV-2003S
Vòi sen bồn tắm Inax LFV-7000B
Vòi chậu Inax LFV-2002S
Chậu rửa Inax đặt bàn L-333V
Chậu rửa đặt bàn Inax AL-632V
Chậu rửa Inax đặt bàn AL-445V
Combo thiết bị vệ sinh Inax + Belli số 1
Vòi bếp Inax SFV-302S
Chậu rửa Inax đặt bàn L-293V
Bồn cầu 2 khối Inax AC-514VWN
Bồn cầu Inax 2 khối C-108VA 






